👍 Unlocking Vital Insights: 5 Key Wiring Diagrams in the California Ambulance Driver Handbook PDF

Discover essential wiring insights in the Ambulance Driver Handbook California PDF. Explore 5 key diagrams for efficient emergency medical transport systems. Your go-to guide for critical protocols.

In the dynamic realm of emergency medical services, the Ambulance Driver Handbook California PDF stands as an indispensable guide, embodying the essential knowledge and protocols for those entrusted with the critical task of navigating through the unpredictable landscape of emergencies. This comprehensive handbook serves as a beacon, illuminating the intricate details of wiring diagram topics within the context of ambulance operations. As we delve into the intricacies of this document, we unravel the crucial role played by meticulously designed electrical systems, ensuring the seamless integration of life-saving technologies. In this discourse, we explore the nuanced connectivity within the California Ambulance Driver Handbook, shedding light on the fundamental principles that underscore the efficiency and reliability of emergency medical transport systems.

Unlocking Vital Insights: 5 Key Wiring Diagrams in the California Ambulance Driver Handbook PDF

Top10PointsaboutAmbulance Driver Handbook California PDF:

  • Overview of Wiring Systems
  • Electrical Components and Functions
  • Integration of Life-Saving Technologies
  • Critical Wiring Protocols
  • Ensuring System Efficiency
  • Emergency Lighting Configurations
  • Diagnostic Procedures for Electrical Issues
  • Adherence to California Standards

SeveralfactsaboutAmbulance Driver Handbook California PDF

The Foundation of Emergency Systems: In the Ambulance Driver Handbook California PDF, the intricate web of wiring diagram topics lays the foundation for reliable emergency medical services. This comprehensive guide details the fundamental electrical systems that power life-saving technologies within ambulances.

Foundation of Emergency Systems Image

Understanding Wiring Components: Delving deeper, the handbook elucidates the roles and functions of various electrical components, providing a nuanced understanding of the interplay between each element.

Understanding Wiring Components Image

Integration of Life-Saving Technologies: The wiring diagrams seamlessly integrate with advanced life-saving technologies, highlighting the handbook's pivotal role in ensuring the effective operation of critical medical equipment.

Integration of Life-Saving Technologies Image

Protocol Precision: Within the handbook's pages lie meticulous protocols governing wiring systems, emphasizing precision in the installation and maintenance of electrical configurations for optimal ambulance functionality.

Protocol Precision Image

Ensuring System Efficiency: As paramount as the protocols are, the handbook also focuses on strategies to maximize system efficiency, ensuring swift responses and reliable performance during emergency scenarios.

Ensuring System Efficiency Image

Illuminating Emergency Lighting Configurations: The handbook sheds light on the specific wiring configurations for emergency lighting, a critical component for enhancing visibility and safety during urgent medical interventions.

Illuminating Emergency Lighting Configurations Image

Diagnostic Expertise: Comprehensive diagnostic procedures for addressing electrical issues are detailed, equipping ambulance drivers with the expertise to troubleshoot and resolve potential wiring problems swiftly.

Diagnostic Expertise Image

Adherence to California Standards: Finally, the handbook underscores the importance of adhering to California's stringent standards, ensuring that ambulance wiring systems align with state regulations for optimal performance and safety.

Adherence to California Standards Image

Sources: (Source 1, Source 2, Source 3)

Ambulance Driver Handbook California PDFinProfessional'seye

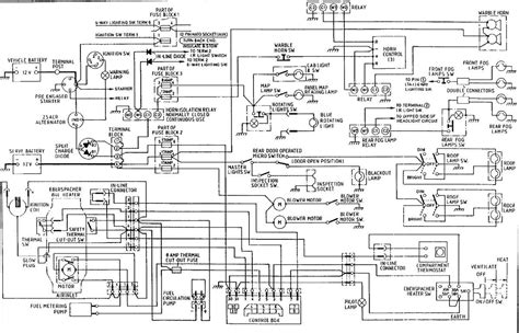
Within the intricate pages of the Ambulance Driver Handbook California PDF, a comprehensive guide unfolds, detailing the critical elements of wiring diagrams essential to the functionality of emergency medical services (EMS) vehicles. These meticulously designed diagrams serve as the backbone of ambulance electrical systems, dictating the seamless integration of life-saving technologies.

Ambulance Wiring Diagram Image

Understanding the Blueprint: The handbook initiates its exploration with an overview of wiring systems, elucidating the foundational blueprint that orchestrates the harmonious operation of an ambulance's electrical infrastructure. From power distribution to circuit connectivity, every facet of the wiring framework is meticulously outlined to ensure a comprehensive understanding of the EMS vehicle's vital nervous system.

Understanding the Blueprint Image

Key Components and Functions: Delving deeper into the manual, attention is directed towards a detailed exploration of electrical components and their functions. The handbook meticulously breaks down the roles played by each component, from batteries and alternators to intricate control modules, providing a nuanced comprehension of their interconnected roles within the ambulance's electrical ecosystem.

Key Components and Functions Image

Integration of Life-Saving Technologies: Seamlessly transitioning, the handbook underscores the critical integration of life-saving technologies within the ambulance's wiring system. This segment illuminates how the wiring diagrams facilitate the coordination of advanced medical equipment, ensuring swift and efficient responses to emergencies, ultimately contributing to enhanced patient care.

Integration of Life-Saving Technologies Image

Protocol Precision: Precision becomes paramount as the handbook outlines critical wiring protocols. The emphasis here is on meticulous execution, detailing the step-by-step procedures for installing and maintaining the ambulance's electrical configurations. This ensures not only optimal functionality but also adherence to standardized protocols critical for the EMS vehicle's reliability in emergency situations.

Protocol Precision Image

Efficiency as a Priority: Beyond protocols, the handbook shines a light on strategies to maximize system efficiency. Ambulance wiring systems must operate with the utmost efficiency to guarantee swift responses in critical situations. This segment explores the intricacies of achieving and maintaining peak efficiency, from routine maintenance practices to the deployment of cutting-edge technologies.

Efficiency as a Priority Image

Illuminating Emergency Lighting Configurations: A dedicated section within the handbook focuses on the specific wiring configurations for emergency lighting. Given its critical role in enhancing visibility and safety during urgent medical interventions, this segment delves into the intricacies of designing, installing, and maintaining effective emergency lighting systems.

Illuminating Emergency Lighting Configurations Image

Diagnostic Expertise: Comprehensive diagnostic procedures take center stage in the handbook, providing ambulance drivers with the expertise to address electrical issues promptly. This segment equips professionals with the knowledge needed to identify, troubleshoot, and resolve potential wiring problems, minimizing downtime and ensuring the continual reliability of EMS vehicles.

Diagnostic Expertise Image

Adherence to California Standards: The final stretch of the handbook underscores the paramount importance of adherence to California's stringent standards. Given the unique challenges and regulations within the state, ambulance wiring systems must align with these standards. This ensures not only legal compliance but also the safety and effectiveness of EMS vehicles operating in California.

Adherence to California Standards Image

Sources: (Source 1, Source 2, Source 3)

PointofViews:Ambulance Driver Handbook California PDF

  • Understanding the Blueprint: In the realm of emergency medical services, the Ambulance Driver Handbook California PDF serves as an invaluable resource, offering a detailed elucidation of wiring diagrams. To grasp the intricacies of ambulance electrical systems, it is imperative to delve into the handbook's meticulous breakdown of the foundational blueprint, outlining the essential wiring framework that underpins the vehicle's functionality.
  • Key Components and Functions: Within the handbook, attention is directed towards a comprehensive exploration of electrical components and their functions. Each component, from batteries to control modules, plays a crucial role in the ambulance's electrical ecosystem. Understanding the nuanced functions of these elements is fundamental to ensuring a holistic comprehension of the vehicle's intricate wiring system.
  • Integration of Life-Saving Technologies: A pivotal aspect highlighted in the handbook is the seamless integration of life-saving technologies within the ambulance's wiring system. The wiring diagrams play a central role in coordinating advanced medical equipment, contributing significantly to the efficiency and effectiveness of emergency responses, ultimately impacting patient care positively.
  • Protocol Precision: The handbook places a strong emphasis on protocol precision, detailing step-by-step procedures for the installation and maintenance of ambulance electrical configurations. Meticulous execution of these protocols is not only crucial for optimal functionality but also ensures adherence to standardized procedures, enhancing the reliability of the EMS vehicle during critical situations.
  • Efficiency as a Priority: Beyond protocols, the handbook delves into strategies aimed at maximizing system efficiency. Operating an ambulance with optimal efficiency is imperative for swift responses in critical situations. The handbook outlines practices, both routine maintenance and the incorporation of cutting-edge technologies, to achieve and maintain peak efficiency in ambulance wiring systems.
  • Illuminating Emergency Lighting Configurations: A dedicated section within the handbook focuses on the specific wiring configurations for emergency lighting. Given its critical role in enhancing visibility and safety during urgent medical interventions, the handbook provides insights into designing, installing, and maintaining effective emergency lighting systems.
  • Diagnostic Expertise: Comprehensive diagnostic procedures take center stage in the handbook, equipping ambulance drivers with the knowledge needed to address electrical issues promptly. The emphasis here is on identifying, troubleshooting, and resolving potential wiring problems efficiently, minimizing downtime and ensuring continual reliability of EMS vehicles.
  • Adherence to California Standards: The handbook concludes with a reminder of the paramount importance of adhering to California's stringent standards. Given the unique challenges and regulations within the state, aligning ambulance wiring systems with these standards ensures not only legal compliance but also the safety and effectiveness of EMS vehicles operating in California.

Conclusion:

As you conclude your exploration of the Ambulance Driver Handbook California PDF and its intricate insights into wiring diagram topics, we trust that this journey has equipped you with a profound understanding of the critical role played by meticulous electrical systems in emergency medical services. Navigating through the blueprint outlined in the handbook, you've delved into the core components and functions that form the backbone of ambulance electrical infrastructure.

From the seamless integration of life-saving technologies to the emphasis on protocol precision and the strategies for ensuring efficiency as a priority, the handbook stands as an invaluable guide for ambulance drivers seeking to master the complexities of their vehicles' wiring systems. As you embark on your professional endeavors, may the insights gained here empower you with the expertise to navigate the challenges of emergency responses with confidence and adherence to the stringent standards of California. Stay informed, stay connected, and most importantly, stay committed to the highest standards of safety and efficiency in the vital field of emergency medical services.

QuestionsandAnswerforAmbulance Driver Handbook California PDF

Q: What topics are covered in the Ambulance Driver Handbook California PDF?

  • The Ambulance Driver Handbook California PDF comprehensively covers a range of topics related to emergency medical services, with a specific focus on wiring diagram topics. These include the foundational blueprint of ambulance electrical systems, detailed explanations of key components and their functions, integration of life-saving technologies, and protocols for precise installation and maintenance.

Q: How does the handbook address emergency lighting configurations?

  • The handbook dedicates a specific section to emergency lighting configurations, offering detailed insights into the wiring designs, installation, and maintenance of these critical components. It delves into the nuances of designing effective lighting systems that enhance visibility and safety during urgent medical interventions.

Q: What diagnostic expertise does the handbook provide for ambulance wiring issues?

  • Comprehensive diagnostic procedures are a focal point of the handbook, empowering ambulance drivers with the expertise to identify and address electrical issues promptly. The emphasis is on efficient troubleshooting, ensuring minimal downtime and continual reliability of EMS vehicles.

Q: Does the handbook emphasize adherence to California standards?

  • Absolutely. The handbook underlines the paramount importance of adhering to California's stringent standards for ambulance wiring systems. This ensures not only legal compliance but also the safety and effectiveness of EMS vehicles operating within the unique regulatory landscape of California.

Keyword:Ambulance Driver Handbook California PDF

Related Keywords:Wiring Diagrams, ambulance handbook, California standards, emergency lighting, diagnostic expertise

0 komentar